LUXOMAT PD4-CAS-GH Casambi sensor
Nøglespecifikationer
| Højde i mm | 76 |
|---|---|
| Diameter i mm | 101 |
| Spænding (V) | 230VAC |
| IP klasse | 54 |
| Isolationsklasse | 2 |
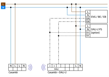
| Dæmpetype | Casambi |
| EAN nr. | 4007529934799 |
|---|---|
| Varenr | 656555 |
Casambi tilstedeværelsessensor til overflademontering i store monteringshøjder
Separat og kraftfuld lokaliserings-led til hurtig og sikker opstart
ekstern, mekanisk justerbar til en monteringshøjde mellem 5 og 16 m teleskopiske lyssensor for en ansøgning-passende lys måling
Blandet lysmåling ved brug af den indvendige og udvendige belysnings sensor
Justering af refleksionsfaktoren og indgangen af lysstyrken til visning af den faktiske lysstyrke i appen
Forlængelse af detektionsområdet med yderligere B.E.G. Casambi-enheder mulige
Individuel følsomheds justering pr. PIR-sensor
Detekteringsområdet kan begrænses ved hjælp af afdækningslameller
Specifikationer
| APP styret | Ja |
|---|---|
| Dæmpetype | Casambi |
| Egeneffekt i W | 0,5W |
| Inden/udendørs brug | Kun Indendørs |
| IP klasse | 54 |
| Isolationsklasse | 2 |
| Max. omgivelsestemperatur i °C | 45°C |
| Min. omgivelsestemperatur i °C | -5°C |
| Montering af kabel for fast installation | Ja |
| Mulighed for videresløjfning af kabler | Ja |
| Mærkespænding | 230V |
| Spænding (V) | 230VAC |
| Styringstype | Casambi |
| Terminaler / ledningstykkelse | 5x1.50mm² |
| Wi-Fi | Ja |
| Højde i mm | 76 |
|---|---|
| Diameter i mm | 101 |
| CE mærket | Ja |
| Enhed | Styk |
| Kolli | 1 |